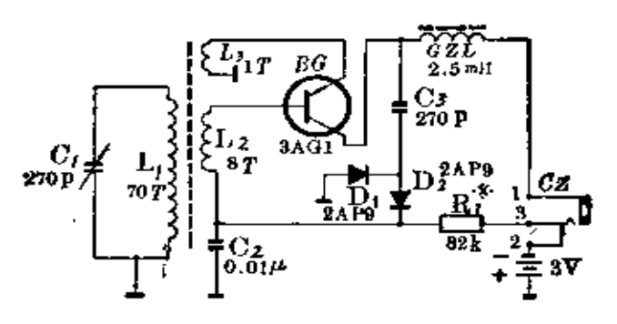
(Elec)来复再生式晶体管单管收音机
原理图

原理
由于单个三极管的放大倍数过小,如果想要放大,需要两个及以上的三极管,如果想要节约材料,即可使用来复放大电路。
一般的原理过程:
选频 -> 检波 -> 低频放大 -> 输出
如果使用2个三极管:
选频 -> 高频放大 -> 检波 -> 低频放大 -> 输出
使用来复放大电路:

让低频放大重新回到原本的三极管,再输出,也就是来复再生的含义了。
License:
CC BY 4.0